开口销
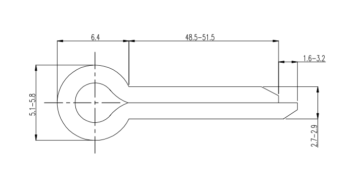
产品名称:开口销 执行标准:GB/T 91 公称规格:5×50 产品材质:碳钢 表面处理:达克罗 技术特性:机械锁紧 防松可靠 耐腐蚀 ...
GB/T 91-5X50-碳钢-达克罗
产品详情
产品名称:开口销
执行标准:GB/T 91
公称规格:5×50
产品材质:碳钢
表面处理:达克罗
技术特性:机械锁紧 防松可靠 耐腐蚀


产品概述
本品为符合GB/T 91标准的开口销,公称规格5×50。采用碳钢材质制造,表面经达克罗工艺处理。产品通过尾部弯折实现可靠的机械锁紧,是为振动环境下连接件提供绝对安全保障的关键防松元件。
核心优势
1 绝对机械防松:尾部弯折后形成永久机械锁止,防松效果绝对可靠
2 优异耐腐蚀性:达克罗涂层提供卓越防腐保护,耐盐雾性能远超普通电镀
3 安装便捷灵活:无需专用工具即可完成安装与拆卸,使用方便
4 高韧性基材:优质碳钢保证良好韧性,弯折时不易断裂
适用行业
1 汽车与交通运输: 商用车底盘悬挂、转向拉杆的轴端固定,以及货车车厢栏板、工程机械的销轴锁定
2 重型与通用机械: 农业机械、矿山设备、传动系统连杆、轴类零件等运动部位的防脱落与铰接连接
3 工业自动化与传动: 工业机器人关节、输送线滚筒轴、气动/液压缸耳轴等核心运动部位的可靠锁定
4 新能源与电力设施: 风力发电机组机舱外部的检修梯、防护栏连接,以及变电站隔离开关、断路器操动机构的销轴固定
5 石油化工与户外设施: 阀门执行机构、管架支撑、海上平台护栏等需要高耐腐蚀性的户外或严苛环境下的安全销轴
6 轨道交通与车辆制造: 铁路货车转向架、车门踏板机构、制动系统杠杆等关键部位的可拆卸式销轴连接
7 建筑与钢结构: 可拆卸钢结构桥梁、大型脚手架、施工平台吊点等处的销轴抗剪与防松
温馨提示
1 安装时请将较长一侧的销腿向后弯折,确保弯折弧度自然平滑避免应力集中
2 达克罗涂层为银灰色亚光表面,请避免使用尖锐工具划伤以保持最佳防腐效