封闭型平圆头抽芯铆钉
产品名称:封闭型平圆头抽芯铆钉 执行标准:GB/T 12615 铆钉直径:4.8mm 钉体材质:铝合金 芯杆材质:钢 表面处理:环保镀锌/磷化(可选) 技术特性:封闭防水 安装便捷 抗震...
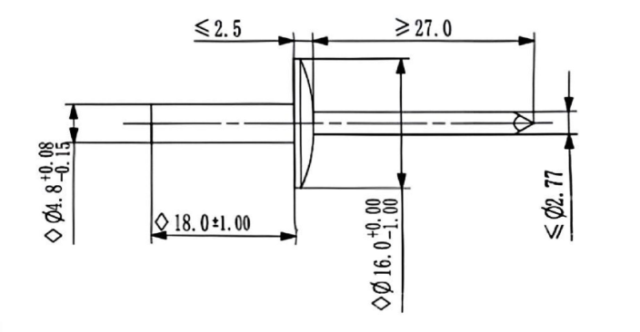
GB/T 12615-直径4.8-铝合金-环保镀锌或磷化
产品详情
产品名称:封闭型平圆头抽芯铆钉
执行标准:GB/T 12615
铆钉直径:4.8mm
钉体材质:铝合金
芯杆材质:钢
表面处理:环保镀锌/磷化(可选)
技术特性:封闭防水 安装便捷 抗震防松
产品描述

产品概述
本品为符合GB/T 12615标准的封闭型平圆头抽芯铆钉,直径4.8mm。采用铝合金钉体与钢制芯杆组合,表面提供环保镀锌或磷化处理选项。尾部封闭设计赋予其卓越的密封性能,单面铆接方式适用于各种密闭场景的紧固需求。
核心优势
1 优异密封性能:尾部封闭设计有效防漏气、防水、防尘,满足IP防护要求
2 轻量化耐腐蚀:铝合金钉体兼具轻质与良好耐腐蚀性,镀锌/磷化进一步增强防护
3 单面铆接便捷:安装仅需单面操作,适用于封闭腔体等受限空间
4 牢固抗震:铆接后形成永久连接,抗振动性能优异,连接安全可靠
适用行业
1 汽车制造:车门夹层、车身空腔等需要密封与减震的铆接点
2 电子机箱:户外通信柜、服务器机箱等需要防潮防尘的密封安装
3 家电行业:洗衣机面板、空调风道等涉及液体或气体密封的部位
4 轨道交通:车厢内饰、通风系统等需要气密性与抗震性的连接
温馨提示
1 请根据被铆接件总厚度选择合适的铆钉长度,以确保形成最佳盲墩
2 安装时请使用与铆钉直径匹配的铆枪,并确保铆钉轴线与工件表面垂直